技术参数| 外壳材质: | PA66 | 齿轮材质: | SMF4030 |
| |||
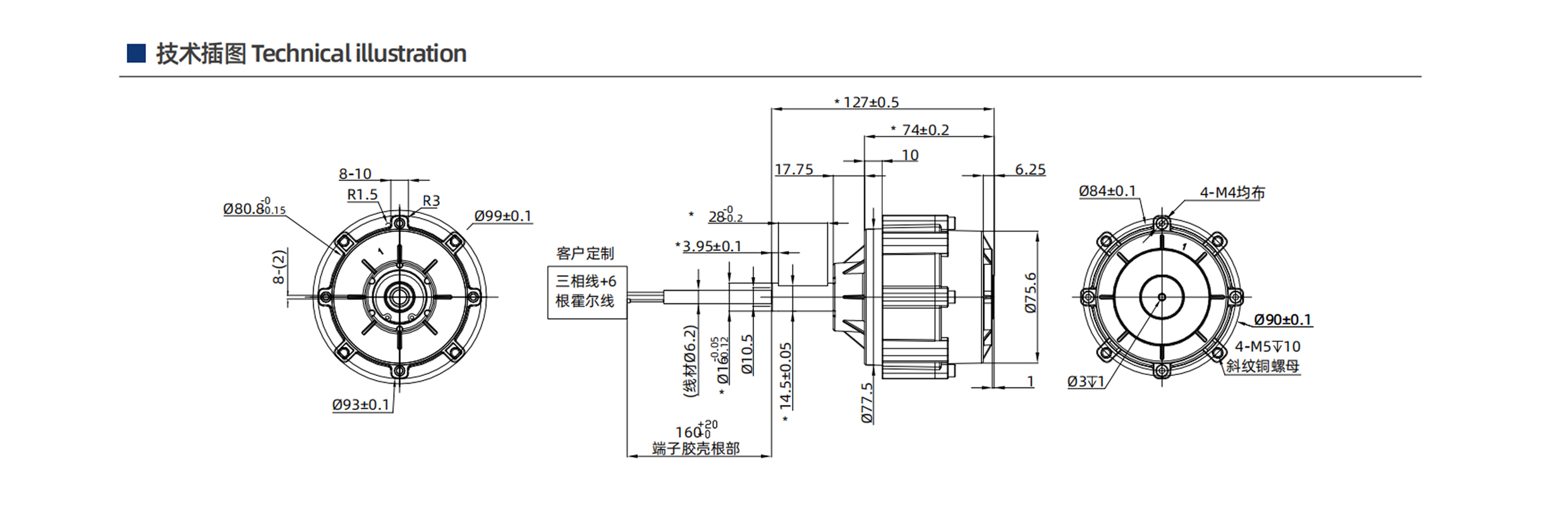
| 外径尺寸: | 99mm | 产品高度: | 74mm | ||||
| 减速比: | 9.75 | 满载效率: | >70% | ||||
| 额定扭矩: | 6NM | 峰值扭矩: | 18NM | ||||
| 额定转速: | 110±10% | 空载转速: | 130±10% | ||||
| 额定电流: | <4.5A | 堵转电流: | <8A | ||||
| 霍尔角: | 120° | 电机槽极: | 18N20P | ||||
| 回程间隙: | 小于1.5° | 防水等级: | IP67 | ||||
| 传动结构: | 行星减速 | 产品净重: | 1100±20g | ||||

行业应用部分展示

更多行业应用项目开发请联系我司项目负责人。
相关产品
按需定制Immediately consult